Стандартный образец для ультразвукового контроля перекрестий (СОП для УП-1)
Стандартный образец предприятия для контроля перекрестий (СОП для УП-1) необходим для настройки параметров ультразвукового контроля сварных швов перекрестий согласно регламентирующим нормативным документам РД-25.160.00-КТН-015-15.
Образцы данного типа применяются при выполнении УЗК перекрестий сварных швов резервуаров совместно со специализированным устройством УП-1.
Для предприятий ОАО «Газпром» настройка чувствительности пьезоэлектрических преобразователей устройства УП-1 осуществляется согласно требованиям СТО Газпром 2-2.4-083-2006. Для предприятий ОАО «АК Транснефть», настройка чувствительности производится согласно требованиям РД-19.100.00-КТН-299-09. Для настройки параметров работы рекомендуется использовать настроечный образец СОП для УП-1, изготовленный специально для калибровки УЗК во время контроля сварных швов перекрестий. Контрольный образец имеет искусственные отражатели типа «плоскодонное сверление» (плоскодонный отражатель по ГОСТ 14782–86) и «зарубка» (плоский угловой отражатель по ГОСТ 14782–86) со следующими параметрами:
Скорость волны в СОП: продольной = 5900±30 м/с, поперечной = 3260±30 м/с; коэффициент затухания поперечной волны на частоте 2,5 МГц = 0,002, на частоте 5,0 МГц = 0,007.
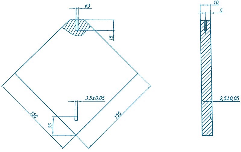
Типоразмер СОП согласно эскизу (см. рисунок)

В нашей компании вы можете приобрести поверенные стандартные образцы для определения параметров контроля перекрестий сварных швов резервуаров. Отметка о калибровке и поверке ставится в паспорте на настроечный образец.
Фактические размеры искусственных отражателей и способ измерения:
| Тип отражателя |
Поверхность нанесения |
Способ измерения |
Размеры отражателя, мм |
S, мм2 |
| Плоскодонный отражатель («плоскодонное сверление») |
Сечение |
Инструментальный |
⌀ 3 |
7,0 |
| Плоский угловой отражатель («зарубка») |
Сечение |
Инструментальный |
3,5 х 2,5 |
8,75 |
- Настроечный образец СОП для УП-1
- Паспорт
Доставка осуществляется со склада в Нижнем Новгороде.
Сопровождение и контроль перевозки осуществляется на всем пути следования груза. Все транспортируемые грузы в обязательном порядке страхуются.
С транспортными компаниями "Деловые линии", "DPD", City Express", "Major Express", "КСЭ", "ПЭК", "Возовоз" заключены договоры на перевозку грузов. По запросу возможна доставка другой транспортной компанией, сотрудничество с которой вам наиболее удобно.
Обращаем внимание, что транспортные компании могут осуществлять доставку до терминала (если он есть в вашем городе), либо по адресу.
Наша компания работает с юридическими лицами. Оплата производится безналичным перечислением на расчетный счет.
Счет на оплату выставляется в максимально сжатые сроки, в среднем в течение 90 минут. Выставленный счет направляется Заказчику электронной почте. Оригиналы счета, товарной накладной и счета-фактуры предоставляются при получении оборудования или высылаются вместе с ним и свидетельствами о поверке (калибровке), если таковые имеются, курьерской службой по адресу Заказчика.