Стандартный образец СО-1 для ультразвукового контроля
Стандартный образец СО-1 предназначен для проверки и настройки ультразвукового дефектоскопа и пьезоэлектрических преобразователей (ПЭП). Образец изготавливается из органического стекла марки ТОСП по ГОСТ 17622-72. Коэффициент затухания органического стекла на частоте 2,5 МГц составляет 2,6 ± 0,3 дБ/см. Скорость распространения продольной ультразвуковой волны в образце на частоте 2,5 МГц при температуре +20 °С составляет 2670 ± 133 м/с.
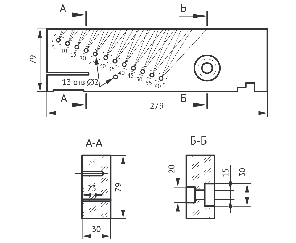
СО-1 выполнен в виде параллелепипеда с искусственными дефектами (отражателями), которые представляют собой пазы и отверстия различных размеров.
Стандартный образец СО-1 внесен в Госреестр средств измерений РФ (№ 79145-20).

Назначение СО-1
- Определение условной чувствительности и настройка на заданную чувствительность эхо-импульсных ультразвуковых дефектоскопов с пьезоэлектрическими преобразователями на частоте 1,25–5 МГц.
- Оценка точности глубиномера. Прямой ПЭП устанавливается над пропилом, затем замеряется время прохождения ультразвуковых колебаний до пропила и обратно. Для дефектоскопов с калибровкой глубиномера в единицах времени оно составляет 20 ± 1 мкс; по стали это значение соответствует глубине 59 мм.
- Оценка лучевой разрешающей способности прямых ПЭП. Прямой ПЭП устанавливается над пазами 5 и 2,5 мм. При этом если все три отражателя разрешаются (идентифицируются), то на экране дефектоскопа наблюдаются три импульса: донный, от ступенек глубиной 2,5 мм и от ступенек глубиной 5 мм. Расстояние между импульсами соответствует (по стали): между первым и вторым — 5,5 мм, между вторым и третьим — 11 мм.
- Оценка лучевой разрешающей способности наклонных ПЭП. ПЭП ориентируется в сторону цилиндрических отверстий Ø15, 20, 30 мм, и, если все три отражателя разрешаются, то на экране дефектоскопа наблюдаются три импульса от поверхностей цилиндров. Расстояние между первым и вторым импульсом (по стали) равно 5,5 мм, между вторым и третьим — 11 мм.

Схема стандартного образца СО-1 с указанием рабочих поверхностей, искусственных дефектов и пазов
| Наименование параметра |
Значение |
| Длина образца, мм |
279,0 |
| Высота образца, мм |
79,0 |
| Толщина образца, мм |
30,0 |
| Расстояние от паза 3 до рабочей поверхности 3, мм |
27,0 |
Расстояние от рабочей поверхности 2: — до паза 1, мм — до паза 2, мм |
5,0 7,5 |
Диаметры искусственных дефектов, мм: — ИД1 — ИД2 — ИД3 |
15,0 20,0 30,0 |
| Диаметры искусственных дефектов ИД4—ИД16, мм |
2 |
| Расстояние от рабочей поверхности 1 до центра искусственных дефектов, ИД1, ИД2, ИД3, мм |
50,0 |
| Расстояния от рабочей поверхности 1 до центров искусственных дефектов ИД4—ИД16, мм |
от 5 до 65 |
| Скорость распространения продольной ультразвуковой волны, м/с |
2760 ± 148 |
| Масса, не более, кг |
1,3 |
| Шероховатость Rₐ рабочих поверхностей меры, не более, мкм |
1,25 |
| Наименование |
Количество |
| Стандартный образец СО-1 (с калибровкой или поверкой) |
1 шт. |
| Футляр |
1 шт. |
| Транспортировочная упаковка |
1 шт. |
| Комплект документации |
1 экз. |
Доставка осуществляется со склада в Нижнем Новгороде.
Сопровождение и контроль перевозки осуществляется на всем пути следования груза. Все транспортируемые грузы в обязательном порядке страхуются.
С транспортными компаниями "Деловые линии", "DPD", City Express", "Major Express", "КСЭ", "ПЭК", "Возовоз" заключены договоры на перевозку грузов. По запросу возможна доставка другой транспортной компанией, сотрудничество с которой вам наиболее удобно.
Обращаем внимание, что транспортные компании могут осуществлять доставку до терминала (если он есть в вашем городе), либо по адресу.
Наша компания работает с юридическими лицами. Оплата производится безналичным перечислением на расчетный счет.
Счет на оплату выставляется в максимально сжатые сроки, в среднем в течение 90 минут. Выставленный счет направляется Заказчику электронной почте. Оригиналы счета, товарной накладной и счета-фактуры предоставляются при получении оборудования или высылаются вместе с ним и свидетельствами о поверке (калибровке), если таковые имеются, курьерской службой по адресу Заказчика.